Electric door strike connection for DS-KIS202, DS-KIS101-P, DS-KIS603-P, DS-KIS604-S, DS-KIS703-P Hikvision video door entry system
Message from: 16-11-2020
Electric door strike connection:
Video intercom DS-KIS202:

DS-KIS703-P video intercom:

DS-KIS603-P video intercom

DS-KIS604-S video intercom

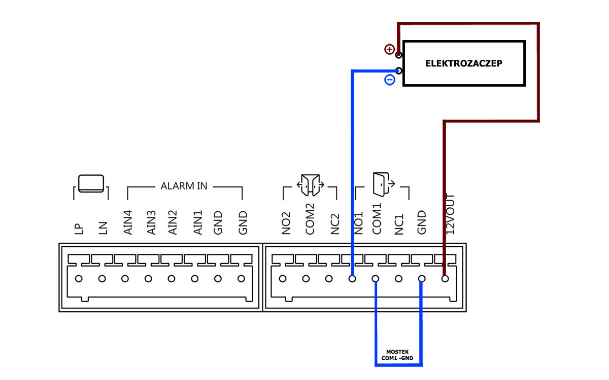
Electric door strike connection:
Video intercom DS-KIS202:

DS-KIS101-P video intercom (powering the door opener from the power supply):
DS-KIS101-P video intercom (powering the door opener from the external panel):
DS-KIS101-P video intercom (powering the door opener from the external panel):
DS-KIS703-P video intercom:

DS-KIS603-P video intercom

DS-KIS604-S video intercom

Other articles
Brands zone
Our recommendations
- City monitoring
- Home monitoring
- Estate monitoring
- Shop monitoring
- Pharmacy monitoring
- Parking monitoring
- Office monitoring
- School monitoring
- Warehouse monitoring
- Gas station monitoring
- Hard drive capacity calculator
- Lens focal length calculator
- Comprehensive expert support
- Efficient order processing
- Competitive prices, promotions, and discounts
- 17 years on the market


















